「曲げる」「カシメる」。エストピが、皆様のアイデアをカタチに。ユニークな製品がそろっています。
0 合計 ¥ 0
現在カート内に商品はございません。
Menu
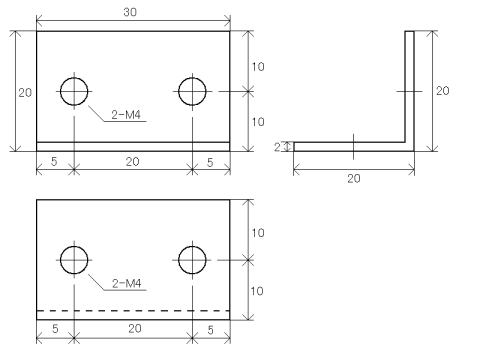
ステンレス t2.0×30mm F・B(sus304 コールド) ・6個からご注文を承ります。 ・STBシリーズのフラットバー(STB-C5-20など)と組み合わせて、アングルを作ることができます ・エストピを組み合わせる時に最適なねじも、当社で販売しています STB-NJ4 ステンレス製 ナベねじM4
金額が複数表示されている場合は、商品を決定すると金額も決定します
¥ 99 ~ ¥ 770 (税抜価格¥ 90 ~ ¥ 700)
商品コード: STB-AL ~ STB-NJ4
関連カテゴリ